Robootika
| Robootika kolm põhiseadust on reeglid, mille mõtles välja ulmekirjanik Isaac Asimov. Reeglid ilmusid esmakordselt 1942. aastal Asimovi lühijutus “Runaround”. Need kolm reeglit on järgmised:Robot ei tohi oma tegevuse ega tegevusetusega inimesele kahju teha.Robot peab alluma inimese antud käsule, kui see ei lähe vastuollu esimese seadusega.Robot peab kaitsma oma olemasolu, kuni see ei ole vastuolus esimese või teise seadusega.Peale nende kolme seaduse mõtles Asimov hiljem välja ka nullseaduse, mis on järgmine:0. Robot ei tohi oma tegevuse või tegevusetusega inimkonnale kahju teha. |
Основные законы для роботов:
- Робот не может причинить вред человеку или своим бездействием допустить, чтобы человеку был причинён вред.
- Робот должен повиноваться всем приказам, которые даёт человек, кроме тех случаев, когда эти приказы противоречат Первому Закону.
- Робот должен заботиться о своей безопасности в той мере, в которой это не противоречит Первому или Второму Законам.
Они были сформулированы в рассказе «Хоровод», вышедшем в 1942 году
Позднее, в 1986 году, Азимов сформулировал так называемый нулевой закон:
0. Робот не может причинить вред человечеству или своим бездействием допустить, чтобы человечеству был причинён вред.
Arduino Uno komponendid

- USB pistik (USB – Universal Serial Bus) port. USB pistiku abil saab Arduino arendusplaadile voolu anda ja programmikoodi laadida. Arduino kasutab USB B tüüpi pistikut./Разъем USB (USB Порт) – Может использоваться для питания схем, а также для связи с компьютером.
- Voolupesa. Voolupessa saab ühendada voolujuhtme, millega Arduinole voolu anda. /Разъем Питания (от батареи) – Может использоваться с блоками питания 9 – 12 Вольт.
- GND (GND – ground, eesti k maandus) pesad. Nende pesade kaudu käib vooluringi maandamine.
- 5V (V – volt) pesa. 5V pesa kaudu saab arendusplaadi külge ühendatavaid lisakomponente varustada 5 voldise vooluga.
- 3,3V pesa. 3,3V pesa kaudu saab arendusplaadi külge ühendatavaid lisakomponente varustada 3.3 voldise vooluga.
- Analoogpesad (A0-A5) loevad signaali analoogsensoritest ja teisaldavad selle digitaalkujule, mida programm saab lugeda ja pärast signaali töötlemist digitaalpesa kaudu väljastada. Analoogpesa on võimalik vajadusel kasutada ka signaali väljastamiseks./Порты (Analog In, Power In, Ground, Power Out, Reset) – аналоговые, входящие, исходящие, питание и земля.
- Digitaalsed pesad (D0-D13). Nende abil saab lugeda ja väljastada digitaalsignaali. 15
- Pulsilaiusmodulatsiooni (Pulse-Width Modulation (PWM)) pesade abil saab simuleerida analoogväljundit./Порты (ARef, Ground, Digital, Rx, Tx) – опорное напряжение, земля, цифровые порты, порты приема и передачи данных.
- AREF pesa abil saab vajadusel lisapesana lugeda kindla tugevusega analoogsisendit.
- Lähtestamise nupp (Reset button) – Lähtestamise nupu vajutamisel taaskäivitatakse Arduino arendusplaadile laetud lähtekood. Kui programmi töö on katkenud saab nupu abil programmi taaskäivitada. Samuti on nupp mugav viis testimiseks, kui on tarvis koodi mitu korda jooksutada saab seda teha nupule vajutades. /(сброс) – ручной перезапуск платы Arduino, приводит к перезапуску вашей программы.
- Toite LED (LED – Light-emitting Diode) tuli. Toite LED tuli läheb põlema, kui Arduino arendusplaat on ühendatud vooluvõrguga. Kui pärast vooluga ühendamist tuli ei lähe põlema, on oht, et arendusplaadiga on midagi valesti./Индикатор (Индикатор питания) – сигнализирует о подаче питания на плату Arduino.
- TX (TX – Transmit) RX (RX – Receive) LED tuled – Nende LED tulede abil on aru saada, kui arendusplaat võtab andmeid vastu või saadab neid välja. Kui andmeid saadetakse, põleb TX LED tuli, kui andmeid vastu võetakse, põleb RX LED tuli./Индикатор (RX: Прием) – Используется для индикации приема данных, если конечно это прописано в программе.Индикатор (TX: Передача) – Используется для индикации передачи данных, если конечно это прописано в программе.
- ATmega328P mikrokontroller, juhib Arduino Uno arendusplaadi tööd.
- Pingeregulaator. Pingeregulaator reguleerib arendusplaadi vooluringi lastavat pinget. Kui pinge on liiga suur, muudab pingeregulaator selle plaadile sobivaks.
Elekter. Mikrokontroller. Põhikomponendid
Elekter/Электричество – фундаментальное физическое явление, связанное с наличием и движением заряженных частиц, таких как электроны и протоны.


Elektriahi/Электрическая цепь – совокупность устройств, элементов, предназначенных для протекания электрического тока.


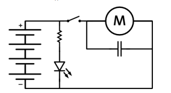
Рисованная и принципиальная схема(примеры)
Рисованная схема – это упрощённое изображение, которое помогает понять, как что-то устроено или работает. Она делается с помощью простых линий, символов и минимального количества текста.

Принципиальная схема — это чертёж, который показывает, как работает устройство или система. В отличие от обычного рисунка, она отображает не внешний вид, а взаимосвязь компонентов.

Закон Ома – главный закон электричества.

Параллельное и последовательное соединение(опиши основные принципы)
При параллельном подключении напряжение вокруг каждого потребителя — одно и то же, различается сила тока: каждый потребляет ток в соответствии с собственным сопротивлением.

При последовательном подключении сила тока в каждом потребителе — одна и та же, различается напряжение: в каждом компоненте падает его часть.

Takisti/Резистор – искусственное «препятствие» для тока. Сопротивление в чистом виде. Резистор ограничивает силу тока, переводя часть электроэнергии в тепло.

Основные характеристики:

Valgusdiood (LED)/Светодиод – вид диода, который светится, когда через него проходит ток от анода (+) к катоду (-).

Основные характеристики:

Восприятие световых волн человеком:


Nupp/Кнопка – простой, всем известный механизм, замыкающий цепь пока есть давление на толкатель.


Vedelkristallekraan/LCD экран (Liquid Crystal Display, жидкокристаллический дисплей) – это устройство для отображения информации, которое использует свойства жидких кристаллов для формирования изображения.
Типы LCD:
- Алфавитные LCD – экран разделен на фиксированные символы (например, 2×16 или 4×20 знаков).
- Графические LCD – позволяют отображать изображения и сложные символы.
Управление и интерфейсы:
- Параллельный интерфейс (4- или 8-битный) – требует больше выводов микроконтроллера.
- Последовательный интерфейс (SPI, I2C) – требует меньше выводов, но может быть дороже.
Популярные модели:
- Алфавитные LCD: 2×16, 4×20.
- Графические LCD: Nokia 3110/5110 (монохромные), Nokia 6610 (цветные).
Выбор LCD для робота:
Выбрать LCD с доступными библиотеками программного обеспечения.

Piesosummer/Пищалка – переводит переменное напряжение в колебание мембраны, которая в свою очередь создаёт звуковую волну. Иначе говоря, пьезодинамик — это конденсатор, который звучит при зарядке и разрядке.


Подключение напрямую :
Пьезодинамик потребляет всего пару мА, поэтому можно смело подключать его прямо к микроконтроллеру.

Mootor/Моторчик
Мотор переводит электрическую энергию в механическую энергию вращения.
Самый простой вид мотора — коллекторный. При подаче напряжения в одном направлении вал крутится по часовой стрелке, в обратном направлении — против часовой.


Servomootor/Серводвигатель – это коллекторный двигатель постоянного тока с редуктором, системой обратной связи и контроллером. В отличие от обычного мотора, он может точно контролировать угол поворота.
Ключевые особенности:
- Имеет редуктор, который снижает скорость вращения и увеличивает крутящий момент.
- Работает не постоянно, а поворачивается на фиксированный угол (обычно 180° или 360°).
- Управляется сигналом PWM (широтно-импульсная модуляция), где ширина импульса задает угол поворота.
- Используется в робототехнике для точного движения (манипуляторы, подъемные механизмы).

Fototakisti/Фоторезистор — это электронный компонент, сопротивление которого изменяется в зависимости от освещенности. Чем больше света падает на фоторезистор, тем меньше его сопротивление.
Применение:
- Датчики освещенности (уличное освещение, автозатемняющиеся экраны).
- Системы автоматического управления (умные дома, фотоэлементы в охранных системах).
- Робототехника (ориентация на свет, автономные устройства).

Potentsiomeeter/Потенцтометр – это переменный резистор, который позволяет регулировать напряжение или сопротивление в электрической цепи путем механического поворота или перемещения контакта.
Как работает?
- Имеет три вывода: два крайних соединены с концами резистивного слоя, а средний — с подвижным контактом.
- При вращении ручки сопротивление между средним и крайними выводами меняется, что изменяет выходное напряжение.
Применение:
- Регуляторы громкости (аудиотехника).
- Яркость света и контрастность дисплеев.
- Датчики положения (в сервоприводах и джойстиках).

Temperatuuriandur/Термодатчик – это электронное устройство, которое измеряет температуру окружающей среды или объекта и преобразует это значение в электрический сигнал.
Типы термодатчиков:
- Термопары — используются для измерения температур в широком диапазоне. Это два проводника разных металлов, которые создают напряжение при изменении температуры на их соединении.
- Терморезисторы (NTC и PTC) — резисторы, чье сопротивление изменяется в зависимости от температуры. NTC-резисторы имеют сопротивление, которое уменьшается с ростом температуры, а PTC — увеличивается.
- Полупроводниковые датчики — используют свойства полупроводников для измерения температуры.
Применение:
Робототехника (термодатчики могут использоваться для защиты от перегрева или мониторинга температуры в устройствах).
Контроль температуры в бытовой технике (холодильники, плиты, кондиционеры).
Медицинские приборы (измерение температуры тела).
Автомобильные системы (контроль температуры двигателя, масла).

